.125总线座系列
详细信息
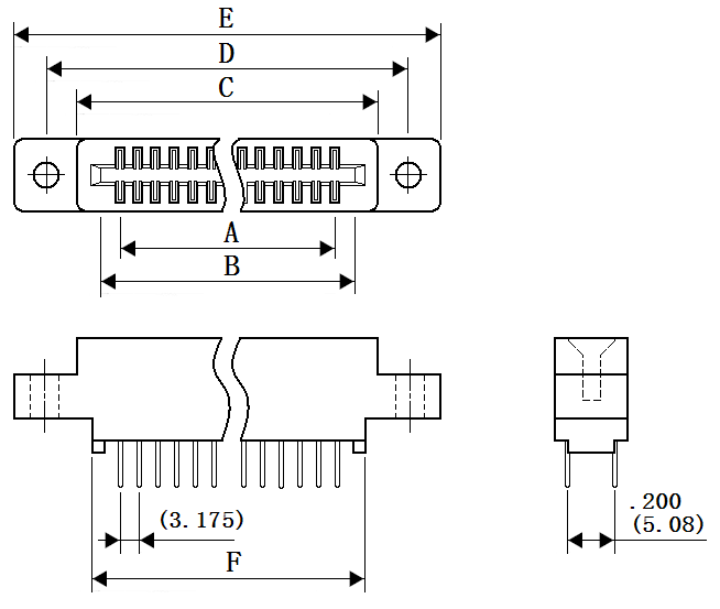
•结构优化设计,反复插拔不易损坏;•专用接触簧片,确保接触良好;•接触簧片选用优质铜材,经良好的表面处理工艺,即保持弹性又具有很长的使用寿命;•结构紧凑,减低空间节约成本;•足够的镀金厚度确保长期使用接触良好;•特种塑料制造,能耐受潮湿的环境,最高使用温度可达200 ℃;•超短订货周期。DIMENSIONSPart Numbers/Dimensions
产 品 型 号 NO.OFCONT. INCHES MILLIMETERS A±.010 B±.010 C±.015 D±.015 E±.020 F±.015 A±0.25 B±0.25 C±0.38 D±0.38 E±0.51 F±0.20 200-125-0200-012 6/12 .625 .875 1.035 1.295 1.555 .875 15.88 22.23 26.29 32.98 39.50 15.88 200-125-0200-020 10/20 1.125 1.375 1.535 1.795 2.055 1.375 28.58 34.93 38.99 45.59 52.20 34.93 200-125-0200-030 15/30 1.750 2.000 2.160 2.420 2.680 2.000 44.45 50.80 54.86 51.47 68.07 50.80 200-125-0200-036 18/36 2.125 2.375 2.535 2.795 3.055 2.375 53.98 60.33 64.39 70.99 77.60 60.33 200-125-0200-044 22/44 2.625 2.875 3.035 3.295 3.555 2.875 66.68 73.03 77.09 83.69 90.30 73.03 200-125-0200-050 25/50 3.000 3.250 3.410 3.670 3.930 3.250 76.20 82.55 86.61 93.21 99.82 76.20 200-125-0200-056 28/56 3.375 3.625 3.785 4.045 4.305 3.625 85.73 92.08 96.14 102.74 109.35 92.08 200-125-0200-060 30/60 3.625 3.875 4.035 4.295 4.555 3.875 92.08 98.43 102.49 109.09 115.70 98.43 200-125-0200-062 31/62 3.750 4.000 4.160 4.420 4.680 4.000 92.25 101.60 105.66 112.27 118.87 101.60 200-125-0200-064 32/64 3.875 4.125 4.285 4.545 4.805 4.125 98.43 104.78 108.84 115.44 122.05 104.78 200-125-0200-070 35/70 4.250 4.500 4.660 4.920 5.180 4.500 107.95 114.30 118.36 124.97 131.57 114.30 200-125-0200-072 36/72 4.375 4.625 4.785 5.045 5.305 4.625 111.13 117.48 121.54 128.14 134.75 117.48 200-125-0200-080 40/80 4.875 5.125 5.285 5.545 5.805 5.125 123.35 130.18 134.24 140.84 147.45 130.18 200-125-0200-086 43/86 5.250 5.500 5.660 5.920 6.180 5.500 133.35 139.70 143.76 150.37 156.97 139.70 200-125-0200-088 44/88 5.375 5.625 5.785 6.045 6.305 5.625 136.52 142.87 146.93 153.54 160.14 142.87 200-125-0200-098 49/98 6.000 6.250 6.410 6.670 6.930 6.250 152.40 158.75 162.81 169.42 176.02 158.75 200-125-0200-100 50/100 6.125 6.375 6.535 6.795 7.055 6.375 155.58 161.93 165.99 172.59 179.20 161.93DESCRIPTION & ORDERING INFORMATION
相关产品
相关新闻








.jpg)



