.100总线座系列
详细信息
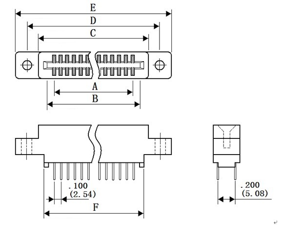
•结构优化设计,反复插拔不易损坏;•专用接触簧片,确保接触良好;•接触簧片选用优质铜材,经良好的表面处理工艺,即保持弹性又具有很长的使用寿命;•结构紧凑,减低空间节约成本;•足够的镀金厚度确保长期使用接触良好;•特种塑料制造,能耐受潮湿的环境,最高使用温度可达200 ℃;•超短订货周期。DIMENSIONSPart Numbers/Dimensions
产 品 型 号 NO.OFCONT. INCHES MILLIMETERS A±.010 B±.010 C±.015 D±.015 E±.020 F±.015 A±0.25 B±0.25 C±0.38 D±0.38 E±0.51 F±0.20 200-100-0200-012 6/12 .500 .700 .860 1.175 1.435 .750 12.70 17.78 21.84 29.85 36.45 19.05 200-100-0200-016 8/16 .700 .900 1.060 1.375 1.635 .950 17.78 22.86 26.92 34.93 41.53 24.13 200-100-0200-020 10/20 .900 1.100 1.260 1.575 1.835 1.150 22.86 27.94 32.00 40.01 46.61 29.21 200-100-0200-024 12/24 1.100 1.300 1.460 1.775 2.035 1.350 27.94 33.02 37.08 45.09 51.69 34.29 200-100-0200-030 15/30 1.400 1.600 1.760 2.075 2.335 1.650 35.56 40.64 44.70 52.71 59.31 41.91 200-100-0200-034 17/34 1.600 1.800 1.960 2.275 2.535 1.850 40.64 45.72 49.78 57.79 64.39 46.99 200-100-0200-036 18/36 1.700 1.900 2.060 2.375 2.635 1.950 43.18 48.26 52.32 60.33 66.93 49.53 200-100-0200-040 20/40 1.900 2.100 2.260 2.575 2.835 2.150 48.26 53.34 57.40 65.41 72.01 54.61 200-100-0200-044 22/44 2.100 2.300 2.460 2.775 3.035 2.350 53.34 58.42 62.48 70.49 77.09 56.69 200-100-0200-050 25/50 2.400 2.600 2.760 3.075 3.335 2.650 60.96 66.04 70.10 78.11 84.71 67.31 200-100-0200-056 28/56 2.700 2.900 3.060 3.375 3.635 2.950 68.58 73.66 77.72 85.73 92.33 74.93 200-100-0200-060 30/60 2.900 3.100 3.260 3.575 3.835 3.150 73.66 78.74 82.80 90.81 97.41 80.01 200-100-0200-062 31/62 3.000 3.200 3.360 3.675 3.935 3.250 76.20 81.28 85.34 93.35 99.95 82.55 200-100-0200-070 35/70 3.400 3.600 3.760 4.075 4.335 3.650 86.36 91.44 95.50 103.51 110.11 92.71 200-100-0200-072 36/72 3.500 3.700 3.860 4.175 4.435 3.750 88.90 93.98 98.43 106.05 112.65 95.25 200-100-0200-080 40/80 3.900 4.100 4.260 4.575 4.835 4.150 99.06 104.14 108.59 116.21 122.81 105.41 200-100-0200-086 43/86 4.200 4.400 4.560 4.875 5.135 4.450 106.68 111.76 115.82 123.83 130.43 113.03 200-100-0200-088 44/88 4.300 4.500 4.660 4.975 5.235 4.550 109.22 114.30 118.36 126.37 132.97 115.57 200-100-0200-098 49/98 4.800 5.000 5.160 5.475 5.735 5.050 121.92 127.00 131.06 139.07 145.67 128.27 200-100-0200-100 50/100 4.900 5.100 5.260 5.575 5.835 5.150 124.46 129.54 133.60 141.61 148.21 130.81 200-100-0200-110 55/110 5.400 5.600 5.760 6.075 6.335 5.650 137.16 142.24 146.30 154.31 160.91 143.51 200-100-0200-120 60/120 5.900 6.100 6.260 6.575 6.835 6.150 149.86 154.94 159.00 167.01 173.61 156.21 200-100-0200-122 61/122 6.000 6.200 6.360 6.675 6.935 6.250 152.40 157.48 161.54 169.55 176.15 158.75 200-100-0200-130 65/130 6.400 6.600 6.760 7.073 7.335 6.650 162.56 167.64 171.70 176.71 186.31 168.91 200-100-0200-140 70/140 6.900 7.100 7.260 7.575 7.835 7.150 175.26 180.34 184.40 192.41 199.01 181.61DESCRIPTION & ORDERING INFORMATION
相关产品
相关新闻







.jpg)
.jpg)



