.156总线座系列
详细信息
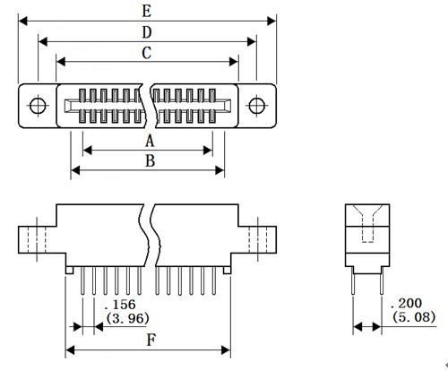
•结构优化设计,反复插拔不易损坏;•专用接触簧片,确保接触良好;•接触簧片选用优质铜材,经良好的表面处理工艺,即保持弹性又具有很长的使用寿命;•结构紧凑,减低空间节约成本;•足够的镀金厚度确保长期使用接触良好;•特种塑料制造,能耐受潮湿的环境,最高使用温度可达200 ℃;•超短订货周期。DIMENSIONSPart Numbers/Dimensions
产 品 型 号 NO.OFCONT. INCHES MILLIMETERS A±.010 B±.010 C±.015 D±.015 E±.020 F±.015 A±0.25 B±0.25 C±0.38 D±0.38 E±0.51 F±0.20 200-156-0200-012 6/12 .780 1.082 1.221 1.534 1.782 1.030 19.81 27.48 31.01 38.96 45.26 26.62 200-56-0200-020 10/20 1.404 1.706 1.845 2.158 2.406 1.654 35.66 43.33 46.86 54.81 61.11 42.01 200-156-0200-024 12/24 1.716 2.018 2.157 2.470 2.718 1.966 43.59 51.26 54.79 62.74 69.04 49.94 200-156-0200-030 15/30 2.184 2.486 2.625 2.938 3.187 2.434 55.47 63.14 66.68 74.63 80.95 61.82 200-156-0200-036 18/36 2.652 2.954 3.093 3.406 3.656 2.902 67.36 75.03 78.56 86.51 92.86 73.71 200-156-0200-044 22/44 3.276 3.578 3.717 4.030 4.330 3.526 83.21 90.88 94.41 102.36 109.98 89.56 200-156-0200-048 24/48 3.588 3.890 4.029 4.342 4.642 3.838 91.14 98.81 102.34 110.29 117.91 97.49 200-156-0200-050 25/50 3.744 4.046 4.185 4.492 4.798 3.994 95.10 102.77 106.30 114.10 121.87 101.45 200-156-0200-056 28/56 4.212 4.514 4.653 4.966 5.216 4.462 106.98 114.66 118.19 126.14 132.49 113.34 200-156-0200-060 30/60 4.524 4.826 4.965 5.278 5.528 4.774 114.91 122.58 126.11 134.06 140.41 121.26 200-156-0200-062 31/62 4.680 4.982 5.121 5.434 5.684 4.930 118.87 126.54 130.07 138.02 144.37 125.22 200-156-0200-072 36/72 5.460 5.762 5.901 6.214 6.464 5.710 138.68 146.36 149.89 157.84 164.19 145.03 200-156-0200-080 40/80 6.084 6.386 6.525 6.838 7.088 6.334 154.53 162.20 165.74 173.69 180.04 160.88 200-156-0200-086 43/86 6.552 6.854 6.993 7.306 7.556 6.802 166.42 174.09 177.62 191.92 191.92 172.77DESCRIPTION & ORDERING INFORMATION
- 上一条:.125总线座系列
- 下一条:HR-1680R高温反偏老化系统
相关产品
相关新闻







.jpg)
.jpg)



