产品展示
TO-3P/TO-247(30A)
详细信息
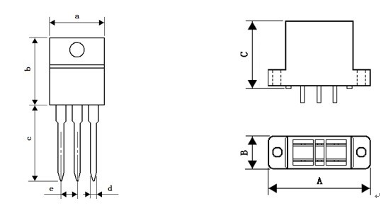
•按照能持续通过大电流的要求设计;•专用接触簧片,确保和器件接触良好;•接触簧片选用优质铍铜,经良好的表面处理工艺,即保持弹性又具有很长的使用寿命;•接触簧片完全镀金,足够的镀金厚度确保长期使用接触良好;•特种塑料制造,能耐受潮湿和高温环境,最高使用温度可达175 ℃;•超短订货周期。APPLICABLE IC DIMENSIONS & SOCKET DIMENSIONS单位:mm
产 品 型 号 IC封装 a b c D e A B C 035-0247-031A TO-3P/TO-247 15.6±0.2 19.9±0.2 20.0±0.2 1.0±0.2 5.45±0.3 32.0 10.0 20.5DESCRIPTION & ORDERING INFORMATION
- 上一条:TO-3P/TO-247(10A)
- 下一条:TO-3P/TO-247(70A)
相关产品
相关新闻








.jpg)



