TO-220-3L
详细信息
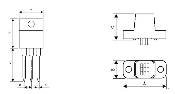
•按照能持续通过大电流的要求设计;•专用接触簧片,确保和器件接触良好;•接触簧片选用优质铍铜,经良好的表面处理工艺,即保持弹性又具有很长的使用寿命;•接触簧片完全镀金,足够的镀金厚度确保长期使用接触良好;•特种塑料制造,能耐受潮湿和高温环境,最高使用温度可达175 ℃;•超短订货周期。APPLICABLE IC DIMENSIONS & SOCKET DIMENSIONS单位:mm
产 品 型 号 IC封装 A b c D e A B C 033-0220-031 TO-220-3L 10.0±0.2 15.17±0.7 13.5±0.8 0.85±0.1 2.54 24.0 10.0 14.0DESCRIPTION & ORDERING INFORMATION
相关产品
相关新闻








.jpg)



