TO-263-3L
详细信息
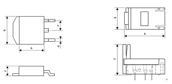
•按照能持续通过大电流的要求设计;•专用接触簧片,确保和器件接触良好;•接触簧片选用优质铍铜,经良好的表面处理工艺,即保持弹性又具有很长的使用寿命;•接触簧片完全镀金,足够的镀金厚度确保长期使用接触良好;•特种塑料制造,能耐受潮湿和高温环境,最高使用温度可达175 ℃;•超短订货周期。APPLICABLE IC DIMENSIONS & SOCKET DIMENSIONS单位:mm
产 品 型 号 IC封装 A b c d e A B C 031-0263-031 TO-263-3L 8.9±0.5 10.0±0.3 4.4±0.4 0.99 2.54 30.0 17.8 17.4DESCRIPTION & ORDERING INFORMATION
- 上一条:TO-252-4L(5L)
- 下一条:TO-263-5L
相关产品
相关新闻







.jpg)
.jpg)



