产品展示
QFN 5×5-40L
详细信息
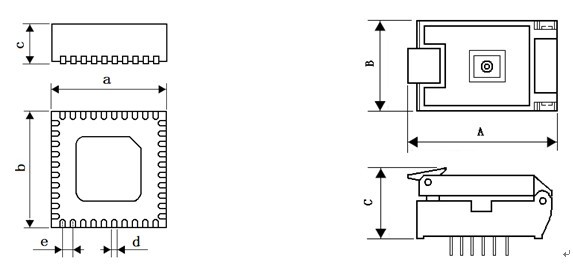
• 翻盖设计,适应小体积器件的放置和提取;• 专用接触簧片,确保和器件接触良好;• 接触簧片选用优质铍铜,良好的表面处理工艺,即保持弹性又具有很长的使用寿命;• 接触簧片完全镀金,足够的镀金厚度确保长期使用接触良好;• 特种塑料制造,能耐受潮湿和高温环境,最高使用温度可达175 ℃;•超短订货周期。APPLICABLE IC DIMENSIONS & SOCKET DIMENSIONS单位:mm
产 品 型 号 IC封装 a b c d e A B C 070-5050-400 QFN5×5-40L 5.0±0.05 5.0±0.05 0.8±0.1 0.2±0.05 0.4±0.05 34.2 23.0 16.5DESCRIPTION & ORDERING INFORMATION
- 上一条:QFN 6×5-36L
- 下一条:QFN 6×6-40L
相关产品
相关新闻












