LCC28
详细信息
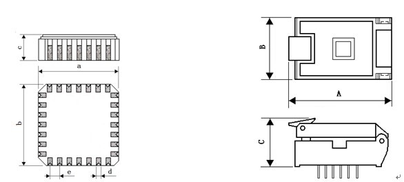
•结构优化设计,方便器件的放置和提取;•专用接触簧片,确保和器件接触良好;•接触簧片选用优质铜材,经良好的表面处理工艺,即保持弹性又具有很长的使用寿命;•紧凑的结构,减低成本和空间;•足够的镀金厚度确保长期使用接触良好;•高温塑料制造,能耐受潮湿的环境,最高使用温度可达155 ℃;•超短订货周期。APPLICABLE IC DIMENSIONS & SOCKET DIMENSIONS单位:mm
产 品 型 号 IC封装 a b c d e A B C 090-0127-280 LCC28 11.43±0.2 11.43±0.2 1.83±0.2 0.64±0.07 1.27 40.0 28.7 17.0DESCRIPTION & ORDERING INFORMATION
相关产品
相关新闻








