F1/F2开尔文座
详细信息
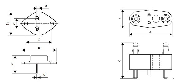
•精心设计的外型结构,各型号器件都能轻松放置和提取;•合理的接触方式,确保器件接触良好;•接触片和部件选用优质铜材,经良好的表面处理工艺,具有很长的使用寿命;•紧凑的结构,减低成本和空间;•合理的镀层厚度确保长期使用接触良好;•高温塑料制造,能耐受潮湿的环境,最高使用温度可达175 ℃。•超短订货周期。APPLICABLE IC DIMENSIONS & SOCKET DIMENSIONS单位:mm
产 品 型 号 IC封装 a b c d e f g A B C 002-0001-001 F1型 31.4 19.0 20.0 Φ1.0 6.0 23.0 1.6 32.0 13.9 27.3 002-0002-001 F2型 39.2 27.2 23.0 Φ1.0 11.0 30.0 2.0 40.0 20.0 27.3DESCRIPTION & ORDERING INFORMATION
相关产品
相关新闻








.jpg)